
• Tubing, fittings, couplings and accessories
• Designed and supplied in component form or mounted into a cabinet or onto a panel
• Air Preparation
• Valves and cylinders
• Process control equipment
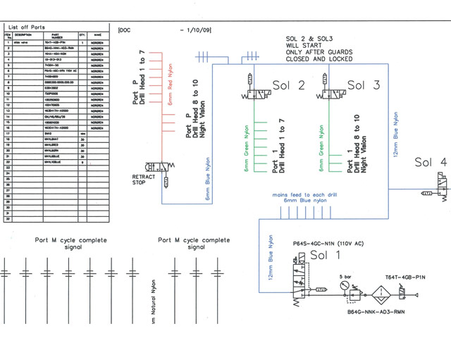
• Pneumatic and electro-pneumatic control systems
• Site visits, circuit design, prototype to full installation and commissioning
• On-site fault finding
• Equipment and machinery repair, modifications and improvements
• Energy saving surveys
• Equipment upgrades



